
消防車電加熱出水口球閥廠家直銷電話:
159-7276-7978
電加熱球閥【專利號201020532546.9】是我公司根據用戶需求,吸收國內外先進技術研制的創新型加熱解凍球閥,它結構獨特新穎,設計先進性能可靠,可廣泛應用于車輛、輪船、石油化工、建筑等領域,用于易凍結及化凍管路。新款連體式消防車出水口球閥,WCB和不銹鋼材質均有,選裝電加熱,結構很簡單,和老式分體式球閥法蘭尺寸通用,長度相比分體式短一個法蘭的厚度。
我國南北地區溫差大,在北方地區,冬季的氣溫可以達到零下30度左右,對于消防車來講,消防車球閥在低溫的情況下會遇到各種各樣的問題,極限低溫會導致球閥凍裂開,還可能導致球閥被凍住無法打開。針對這種情況,我公司專門研制了消防車電加熱球閥,采用了特殊設計,在球閥的內部加裝了加熱絲,利用車身電瓶的電源對球閥進行加熱,內置的有溫度控制單元,在溫度達到設計要求的時間可以自動斷電,自動化程度高,節能環保。消防車自加熱球閥具有耐壓指數高,材質堅固,使用穩定的特點,還設計有泄壓開關,具備防凍自卸壓力的功能,可以有效的防止被凍壞。消防車出水口球閥主要的技術參數如下:
口徑:DN32----DN100
壓力:2.5Mpa
溫度:-40℃--150℃
材質:WCB、304、316、304L、316L、321……
設計標準:GA79-94
目前我公司消防車各種類型的球閥齊全,質量可靠,可以出具合格證及檢驗報告,使用無憂,大量現貨供應,歡迎隨時來電咨詢公司銷售熱線。

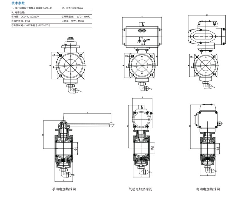
1、閥門機械設計制作及驗收按GA79-94
2、工作壓力:2.5Mpa
3、電器性能:
1)電壓:DC24V、AC220V
2)環境溫度:-50攝氏度-100攝氏度
3)防護等級:IP54
4)功率:60W-150W
5)升溫時間△10攝氏度/分鐘(-20攝氏度-0攝氏度)
消防車電加熱出水口球閥安裝結構圖:

消防車電加熱出水口球閥多方位圖片:
消防車電加熱出水口球閥廠家直銷電話:
159-7276-7978











